Nintendo Switch - Black screen / Stuck at 0.465A / No Shorts

Hi Everyone,

I recently bought a defect Nintendo Switch with a no power issue…
After looking at several Youtube videos and much time spent on measuring and searching for shorts with my thermal camera for shorts.

All readings look OK, but I have no good board to compare with and this is the first Nintendo Switch that I’m repairing, so I’m not 100% sure but I will post some pictures with measurements (Maybe you guys got working boards and can compare).

I’m also guessing that the Switch has been dead for a while because, the battery was almost totally dead (2.7V), so charged it up to 3.8V without any problem, took about two hours but the display is still black and it’s stuck at 0.465A on the USB meter.

And the only thing left is these two chips that get hot and one damage small component (think its still work), but please take a look at the pictures to make your own opinion.

Does anyone know if they could be bought some were? about the Chips that get “hot”, should I remove it and try if it’s booting? The chip is labeled “EN50” on the top.

and the other larger chip that gets hot is, MAX77620AEWJ. Its located in the middle of the backside of the motherboard

Maybe someone else has seen this before and know what I’m supposed to do next? Or maybe have a good board to compare the multimeter readings on the pictures.

Thanks in Advance!

20200720-142435-364|690x388

Hello, new guy here but i have the same issue and looking for answers too. I also checked for shorts but nothing, the only components i cannot find what they are, are located below the cpu!! They look like filters or small inductors. When i try to turn it on that particular part gets very hot and the cpu afterwards, also the fan does not spin even a little bit. There is a photo down.

Hi Dallas,

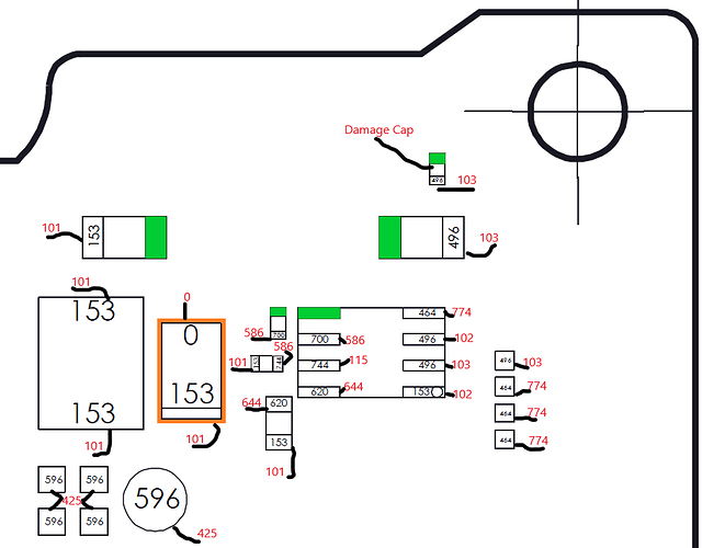
I have the same readings at the M92T36 IC.

At Your next picture at the marked cap I have a bigger value:

My measurements around the ‘EN50’ IC:

And my measurments from the MAX77621 IC:

Thank you so much :slight_smile: I hope we both get our Consoles to be fully working.

Hi Calvin, and thanks for the nice pictures, are they from a schematic or self-made?

Do you know what kind of cap it is? the damage one that i marked, do you think the solution is replacing that?

and btw i forgot to mention it before but when the the switch is powered by a normal 5v charger 5v is passing by that cap.

It s a self-made diode mode map. I m not sure if it is problem, if I upload it completely.

Maybe I m wrong, but if the cap would be bad, I think, You had a no connection or connection to ground. Nothing in between. I would test the other components around and the ‘DC0’ IC, especially the diode.

Hi again and thanks for the pictures, If you take a look at my measurements we could maybe figure this out together :slight_smile:

Maybe the Cap is the issue, and if it is how can i know what kind of Cap it is? values so i can order on. Maybe you someone know where i can buy scrap boards for parts?

My secound idea is that the coil below the “EN50” chip or the chip it self is the issue… only 2 things gets hot on the board and its the MAX77620A and EN50 Chip.

But the coil is showing 0 on both side… maybe thats the problem and as the damaged cap, how could i find a new one?

2 Likes

The resistor with Your values 0 and .560 left from the ‘EN’ chip seems to be gone. It s a 100 kOhm 0201 SMD resistor. I would replace this resistor and test again. The side from this resistor with Your ‘0’ reading goes directly to the M92T36 at pin 18 (VDDIO) on the other side.

You can check the coil for continuity. If it beeps the coil is oK:

I would test the components around the MAX77620.

Hi Calvin about the resistor that seems to be gone,
could this one work?

(Could not attach links?) visit digikey .com and search for 311-100KMCT-ND

About the coil…
My measurement is 0.00 constant beep on both side (Diode mode) I guess it’s the correct way to do it? So i guess its gone too or is it caused by the resistor you mentioned?

Do you have a picture of readings for the components around MAX77620? Maybe you could send all the readings you got in a email or upload in a zip file?

I did same testing. I don t think it is the resistor, because even if the resistor is blown, it couldn t cause a connection to ground. I would test on the other side the M92T36. Pin 18 and the big cap below are connected. Take the cap (1µF 0402 SMD) out and check if the line is still grounded.

The coil seems to be ok. But the only way I see to get a connection to ground in this place is a faulty ‘EN’ chip. And as You say the chip is getting really hot it indicates a fault in the chip.

The MAX77621 and the surrounding components are in the third picture of my first answer in this post.

I will ask Steve if it s ok to make my diode mode map pdf downloadable for the forum.

1 Like

Ok as you said i first tested the 18th Pin on M92T36 and it was shorted, then i removed the 0402 CAP and the short was still there…

Here is my measurements around MAX77621, and on all values with 60 or 58 the multimeter beeps constant maybe because the values are to low never happend before.

1 Like

I would replace the M92T36. But I m not sure if this is fixing a unfixable device. If You fix the M92T36 You still have to replace the EN IC and I guess also the MAX77621 IC.

I will try to replace the M92T36 tomorrow maybe, but the other parts are harder to find, im looking for a defect board to take parts from especially the ”EN50” chip, my guess is that no one sell that chip.

Even if im not manage to fix the switch im very thankful for all your help Calvin!

Are you using whatsapp or somthing? It would be my pleasure if i can assist you sometimes. Im in the phone/tablet repair busniess.

1 Like

Do you fix it ? I have the same problem .

rcm mode was the problem, turned it off and works fine again.